
Yale Global King 钢丝绳葫芦专为采用公制标准的国际市场用户量身定做。
公司具有 140 年的起重机生产经验,同时结合最新的生产技术与材料工艺,严格的设计标准并采用高品质的产品部件,才能创造出这款行业一流的钢丝绳葫芦。
Global King 葫芦是目前市场上最具有竞争力的钢丝绳葫芦之一。它有着业内领先的安全产品特性、灵活的配置和大量产品选项,包括更长的起升高度、特殊的控制选项以及面对危险环境的防爆型号。因着这些特点,可以保证即使在繁重的工作环境下,Global King 葫芦具有使用简便,并且使用寿命长的特点。
双梁钢丝绳葫芦特性:
采用高质钢材制造而成的钢丝绳卷筒采用深沟槽设计,同时还配有导绳机构,可以有效地帮助钢丝绳的准确排绳,确保操作安全的同时延长钢丝绳及卷筒的使用寿命。钢丝绳顶端配三颗高强度金属锁扣锁紧,并且当处于吊钩低位时,顶端仍留有三卷余量,保证操作的安全性。
高强度的 DC 盘式制动器制动性能可达到标准扭矩的2倍,从而实现快速、主动的刹车及抱紧功能。
双速葫芦起升电机,高低速比为4:1,可以满足您低速运行准确定位及高速运行快速起降的全面工作要求。电机的设计和制造为起重行业所量身定制。
5、低净空
6、限位器 (未在图中显示)
7、可旋转吊钩
小车特性:
选配PulseTM 监测卡,可记录运行的重要信息,有助于故障排除,减少维护成本。另有选配 Pulse 监测电脑接口套装,可方便地在电脑中读取数据。
小车机构可以方便地调节以适应不同的轨道宽度。标配小车防坠落特性。标配小车防撞块。
钢丝绳葫芦主机及小车控制部件封闭控制箱具有 NEMA 4/12 的防护等级。控制部分可以实现的主要功能包括:钢丝绳葫芦动作监测功能(可选),电机过热保护功能以及钢丝绳葫芦过载保护功能等。电气部件方便更换。葫芦起升电机及小车可以双速调节,以便平滑加速及负载准确定位。
高强度的钢制小车车轮能够平滑地运行在符合 ASCE 标准或其他方形钢梁上。小车两侧各有一驱动轮带动最大负载平稳同步运行。5 吨小车是由单一电机通过齿轮减速驱动两侧车轮同步运行。其他吨位的小车都含有双驱动。
|
技术指标
|
Global King Top-Running & Deck-Mount 双梁钢丝绳葫芦
|
||||
|
框架尺寸
|
B
|
C
|
D
|
||
|
额定载荷
|
5t
|
10t
|
15t
|
16t
|
20t
|
|
工作级别
|
FEM 2m
相当于 ASME H-4 duty |
||||
|
钢丝绳
|
四绳每列 9mm
|
四绳每列 12mm
|
四绳每列 15mm
|
六绳每列 15mm
|
六绳每列 15mm
|
|
导绳器
|
标配
|
||||
|
下吊钩组
|
360° 旋转销安装配安全搭扣
|
360° 旋转固定安装配安全搭扣
|
|||
|
齿轮组
|
油浸式斜齿轮
|
||||
|
起重电机 (TEFC, IP54)
|
双速鼠笼电机,4:1 速比;F级绝缘等级,带 TAS, 符合 FEM S3 持续接电率
|
||||
|
葫芦制动
|
直流盘式制动器
|
||||
|
葫芦控制
|
电磁接触器——标配双速控制
|
||||
|
上下限位
|
NEMA 4 上/下控制电路
|
||||
|
缺相检测及保护
|
标配
|
||||
|
主电路熔断保护
|
标配
|
||||
|
电机过热保护
|
标配电机热敏开关
|
||||
|
葫芦运行监控器
|
可选
|
||||
|
过载保护装置
|
标配 NEMA 4/12
|
||||
|
小车齿轮箱
|
*蜗轮蜗杆式
|
*斜齿轮传动方式
|
|||
|
小车电机
|
*单速 VFC, 带TAS, 连续工作 30 分钟,F级防护
|
*单速VFC, 带TAS, S3, 连续工作 24 分钟,F级防护
|
|||
|
小车制动
|
*可选
|
标配 50% 力矩的交流盘式制动器
|
|||
|
小车控制
|
标配两档可变频率控制
|
||||
|
小车车轮
|
*203mm 双踏面设计,球墨铸铁 @187 - 255 BHN
|
* ø160mm 双踏面设计
@ 300 - 350 BHN |
*ø200mm 双踏面设计
@ 300 - 350 BHN |
||
|
小车防撞
|
*标配
|
||||
|
轴承
|
全部抗摩擦
|
||||
|
控制箱
|
NEMA 4/12
|
||||
*不适用于 Deck-Mount 型号。
| 葫芦选项 | 小车选项 | |
| * 主回路接触器 | * 小车变频控制 | |
| * 户外应用 | * 小车制动器 | |
| * 可选主副钩型号 | ||
| * 手柄控制 | ||
| * 起升变频控制 | ||
| * 制动器手动释放 | ||
| * 重锤限位 | ||
| * 上/下限位,四点限位 |
Global King 双梁钢丝绳葫芦 Deck Mount 技术参数:
|
框架尺寸
|
钢丝绳葫芦
|
净重
kg |
||||||
|
额定载荷
t |
起升高度
ft |
起升高度
m |
标准轨道距离
mm |
起升速度
m/min |
电机功率
kW |
钢丝绳列数
|
||
|
D
|
15
|
25
|
7.6
|
1700
|
4.5/1.1
|
12.5/3.1
|
4
|
1197
|
|
40
|
12.2
|
2000
|
1287
|
|||||
|
60
|
18.3
|
2400
|
1935
|
|||||
|
16
|
26' - 8"
|
8.1
|
2000
|
3.0/0.75
|
12.5/3.1
|
6
|
1332
|
|
|
40
|
12.2
|
2400
|
1980
|
|||||
|
20
|
26' - 8"
|
8.1
|
2000
|
3.0/0.75
|
12.5/3.1
|
6
|
1332
|
|
|
40
|
12.2
|
2400
|
1980
|
|||||
* 以上所有数据都基于 380V-3Ph-50Hz 的情况下。
** 轨道距离必须在下单时说明。
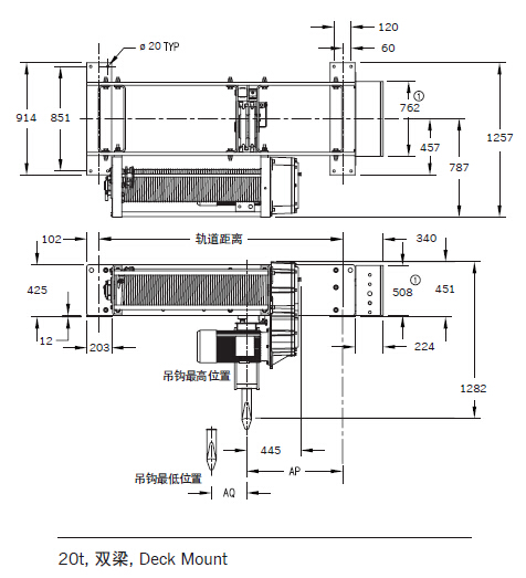
外形尺寸
Global King 双梁钢丝绳葫芦 Deck Mount 外形尺寸:
|
框架尺寸
|
额定载荷
t |
起升高度
ft |
起升高度
m |
标准轨道距离
mm |
AP
|
AQ
|
|
D
|
15
|
25
|
7.6
|
1700
|
849
|
167
|
|
40
|
12.2
|
2000
|
881
|
257
|
||
|
60
|
18.3
|
2400
|
846
|
378
|
||
|
16
|
26' - 8"
|
8.1
|
2000
|
733
|
171
|
|
|
40
|
12.2
|
2400
|
750
|
260
|
||
|
20
|
26' - 8"
|
8.1
|
2000
|
733
|
171
|
|
|
40
|
12.2
|
2400
|
750
|
260
|



Copyright 2019 初顿机械(上海)有限公司. All Rights Reserved 备案号:沪ICP备19024007号-1 耶鲁葫芦 技术支持:上海网站改版